德国steute世德经销-steute开关参数|价格|货期
-
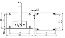
Mounting plate MP AZM 415-22电磁锁附件物料号: 1180143(旧物料号: 01.08.0265)特征/选项 在配置文件系统简易安装,例如:宽40 mm, 60 mm或80 mm 板材厚度5 mm AZM 415或AZ...
[2018-08-09] -
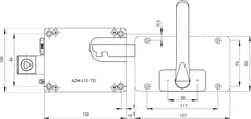
Actuator AZM 415-B30-06电磁锁附件物料号: 1186306(旧物料号: 01.08.0262)特征/选项 适用于所有防护装置类型 铰链半径不可观察 在防护装置上没有把手和杠杆的需求 &n...
[2018-08-09] -
Actuator AZM 415-B30-01电磁锁附件物料号: 1184310(旧物料号: 01.08.0319)特征/选项 适用于所有防护装置类型 铰链半径不可观察 在防护装置上没有把手和杠杆的需求 &n...
[2018-08-09] -
Ex AZM 415 2?/2S-A-3D防爆电磁锁物料号: 1182198(旧物料号: 94353316)特征/选项 粉尘防爆22区 两个防爆内置??樵谝桓鐾饪抢?nbsp; 通电锁原理 通过双臂曲柄系统打...
[2018-08-09] -
Ex AZM 415 2?/2S-R-3D防爆电磁锁物料号: 1179088(旧物料号: 94353304)特征/选项 粉尘防爆22区 两个防爆内置??樵谝桓鐾饪抢?nbsp; 机械锁原理 通过双臂曲柄系统打...
[2018-08-09] -
Ex STM 295 2?/2S-A-3G/D防爆电磁锁物料号: 1183007(旧物料号: 95353301)特征/选项 气体防爆2区和粉尘防爆22区 热塑性塑料外壳 双重绝缘 通电锁原理 &n...
[2018-08-09] -
Ex STM 295 2?/2S-R-3G/D防爆电磁锁物料号: 1183008(旧物料号: 95353302)特征/选项 气体防爆2区和粉尘防爆22区 热塑性塑料外壳 双重绝缘 机械锁原理 &n...
[2018-08-09] -
Ex AD 115 i FK9 4xM25防爆接线盒装置物料号: 1186475(旧物料号: 6722200412)特征/选项 气体防爆1区和粉尘防爆21区 聚酯树脂外壳 接线盒,防爆“i”本质安全型 ...
[2018-08-09] -
Ex AD 85 e FK5 3xM20防爆接线盒装置物料号: 1186472(旧物料号: 6711200101)特征/选项 气体防爆1区和粉尘防爆21区 聚酯树脂外壳 接线盒,防爆“e”增安型 尺寸...
[2018-08-09] -
Ex AD 145 e MK8 6xM32防爆接线盒装置物料号: 1186660(旧物料号: 6713100805)特征/选项? ? 气体防爆1区和粉尘防爆21区? ? 聚酯树脂外壳? ? 接线盒,防爆“e”增安型? ? 尺...
[2018-08-09] -
Ex AD 115 e MK8 4xM25防爆接线盒装置物料号: 1186657(旧物料号: 6712100805)特征/选项 气体防爆1区和粉尘防爆21区 聚酯树脂外壳 接线盒,防爆“e”增安型 尺...
[2018-08-09] -
D 1030 S用于防爆电感式传感器的安全开关放大器物料号: 1207543D 1030 D 2-kanalig, Relaisausgang, 1 Wechsler pro Kanal 1207540D 1030 S 1-kanalig, Relaisausgang, 2 Wechsler1207543D 1032 D 2-kanalig, Relais...
[2018-08-09] -
D 1030 D用于防爆电感式传感器的安全开关放大器物料号: 1207540Ex IS M18b 5ABBAB N 1GD 2m 1202210Ex IS M18nb 8ABBAB N 1GD 2m1202212Ex IS M30b 10ABBAB N 1GD 2m1202214Ex IS M30b 10ABBAB N 1GD 5mNeu1489670Ex...
[2018-08-09] -
Ex IS M30nb 15ABBAB N 1GD 2m防爆电感式传感器物料号: 1202216特征/选项 气体防爆0区和粉尘防爆20区 不锈钢外壳 非齐平安装 寿命长,无机械磨损 ...
[2018-08-09] -
Ex AD 85 e MK4 3xM20防爆接线盒装置物料号: 1186653(旧物料号: 6711100401)特征/选项 气体防爆1区和粉尘防爆21区 聚酯树脂外壳 接线盒,防爆“e”增安型 尺寸...
[2018-08-09] -
Ex IS M12b 2ABBAB N 1GD 2m防爆电感式传感器物料号: 1202206特征/选项? ? 气体防爆0区和粉尘防爆20区? ? 不锈钢外壳? ? 齐平安装? ? 寿命长,无机械磨损? ? 适...
[2018-08-09]














