随着技术的发展,我国传感器好产品也是不断创新研发,下面来推荐下国产好货因泰立ILS-F10激光扫描传感器,感兴趣的可以关注了解下;该产品可以较好的替代SICK 1系列产品,LMS11, LMS141, LMS151等产品
ILS-F10 激光扫描测量传感器采用时间飞行(TOF)测距原理,融合了光学、电学、机械运动学等多学科领域前沿技术,实现在 270°视场角、30 米距离范围
内的±3cm 的精确测量。ILS-F10 是一款工业级别的扫描式激光测量传感器,对使用环境要求宽泛,室内、室外均能可靠工作,特别是采用了智能多次回波技术、精确温控系统以及可靠密闭性设计,使得其在恶劣天气如雨、雾、雪、高低温环境下依然能够保证可靠工作。
? 激光防护等级 1 级,人眼安全
? 大视场、长距离、高速、精确测量 0°~270°/30m/50Hz/±3cm
? 智能回波处理技术,适合雨、雾、雪等恶劣环境
? 精确温控设计,工作温度范围-30℃~+50℃
? 可靠密闭设计,IP67
ILS-F10应用场合
? AGV 智能车
? 安全区域监控
? 车型识别
? 交通流量统计
? 避障与导航
? 智能机器人
ILS-F10性能参数
项目 技术参数 项目 技术参数
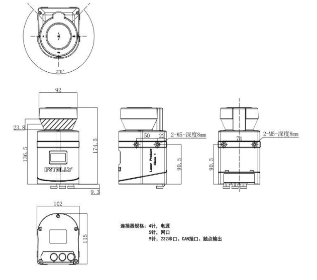
扫描角度范围 0°- 270° 外壳尺寸 174.5mm * 115mm * 102mm
角度分辨率 0.5° 回波处理 多次回波,智能选择
测量距离范围 0~30m 激光波长 905nm
测量距离精度 ±3cm 工作环境
温度:-30℃~+50℃
最大相对湿度:95%
扫描频率 50Hz 防护等级 IP67
激光安全等级
符合 GB7247.1-2012
1 类激光人眼安全要求
外壳材料 铝合金
供电电源
DC24V±10%
功率≥38W(其中工作
功耗 8W,加热功耗
30W)
开关量输出
2 路继电器输出,两端电
压 0-400V ( DC or AC
peak),电流≤120mA
通讯接口
1 路 Ethernet
1 路 RS232
1 路 CAN
重量 1.25Kg
ILS-F10管脚定义
针脚 电源线-四芯航空插头 网口线-五芯航空插头 信号线-九芯航空插头
1 +24V DC(加热电源正) RX+ CH(CAN_H)
2 0V DC(加热电源地) RX- CL(CAN_L)
3 +24V DC(工作电源正) TX- TX(RS232 信号发送)
4 0V DC(工作电源地) TX+ RX(RS232 信号接收)
5 GND(RS232 信号地)
6 OUT11(检测结果触点输出)
7 OUT12 (检测结果触点输出)
8 OUT21 (检测结果触点输出)
9 OUT22 (检测结果触点输出
ILS-F10设备接口:

外形尺寸




