什么是安全控制电路的等级划分呢?国内生产企业,在机器设备出口到欧盟时候,都需要进行CE认证。在CE认证的过程中我们就会在电气控制电路的设计中遇到所谓“安全等级”的概念。那么如何来区分电气控制电路的安全等级?如何来设计电路以达到安全认证的要求?
首先,我们在设计一套机器之前,必须对该机器进行风险评估。要从各个方面、各个部位,评估这台机器会带来什么样的危险,终确定这台机器(或其中某一部分)的危险等级。在划分危险等级时候,需要根据欧洲机器安全标准EN 954-1,将危险等级分为B,1,2,3,4五个等级,危险等级依次增高,等级4为高的危险等级。危险等级的划分和确定如图1所示:

图1
在完成一台机器(或其中某一部分)的风险评估、确定其危险等级后,就必须采取一系列的措施来降低风险。如机械结构上的设计改进、安全防护措施的增加、安全控制电路的使用等等。
对于安全控制电路的设计,也必须符合所要求的安全等级。根据欧洲机器安全标准EN 954-1,对应于危险等级的5个等级,控制电路的安全等级也分为B,1,2,3,4五个等级,安全等级依次增高,等级4为高的安全等级。举例来说,一台机器(或其中某一部分)的危险级别确定为4级,那么相应的安全控制电路的安全等级也必须为4级。
等级B要求与安全功能有关的控制电路在设计、选择和组装过程中必须使用符合基本安全准则和有关标准的安全开关电器。安全控制电路要能够承受语气的运行强度,能够承受运行过程中工作介质的影响和相关外部环境的影响。等级B是基本的等级,其他等级都必须满足等级B的要求。
与等级B相比,等级1要求使用成熟的元器件,即在相似的应用领域有过广泛和成功的使用,或是根据可靠的安全标准制造的元器件,以及使用成熟的技术。
等级B和等级1的典型接线示例如图2:

图2
在等级B和等级1中,安全控制系统对故障的承受能力主要是通过采用适当的元器件来实现。如图所示,保险丝F0和急停按钮S0串联在主控回路中。若采用合理的保险丝和可靠的急停按钮,这个回路里的风险我们是可以接受的。但当安全控制电路中出现任何一个单一故障,如急停按钮触点焊死,都会导致安全功能的丢失。故这个控制回路的安全等级只能够是B级或1级。
在危险机械的设计中,等级B和等级1很少使用。通常常使用的是等级2,3,4。这些安全等级的具体描述如下:

图3
我们可以把一个简单的控制电路分成信号输入部分(如急停按钮、限位开关、光栅)、控制部分(如继电器、PLC)和输出部分(如控制电机用交流接触器)。根据EN 954-1中安全等级的描述,若要达到安全等级2级及其以上,控制部分必须使用安全的元器件,如安全继电器、安全PLC等。在所使用的安全继电器达到要求的安全等级的基础上,我们通??梢酝ü藕攀淙氩糠值慕酉呃磁卸系燃?/span>2、3、4。我们现在以急停按钮为例,分析这三个安全等级的应用接线。
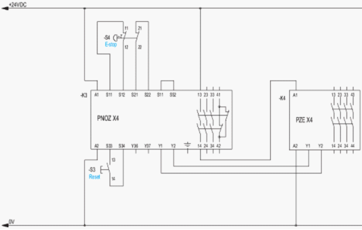
若是使用单通道信号输入,进入安全继电器,那么这个控制电路的安全等级是在2级,如图4所示。

图4
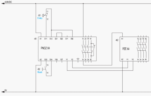
若使用双通道信号输入,进入安全继电器,同时不可检测两个输入触点间的短路。那么这个控制回路的安全等级是在3级,如图5所示。

图5
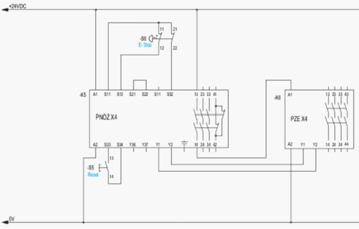
若使用双通道信号输入,进入安全继电器,同时可检测两个输入触点间的短路。那么这个控制回路的安全等级是在4级,如图6所示。

图6
- 上一篇:Pilz皮尔磁控制和监测技术介绍




