一、简介

本产品为一般环境用温湿度变送器,采用先进的数字温湿度传感器为传感元件设计开发,产品具有测量准确、工作稳定、使用寿命长等特点。该产品具有温度补偿和线性化处理电路,增加了现场显示功能。产品探头部分采用不锈钢开孔护管,透气性好,且具有良好的防尘功能。 温度、湿度两路4-20mA输出。本产品可应用在工业现场测量、电信基站、办公室、超市、档案室、生产车间、仓库、机房、工地等测量的场合。变送器直流电流输出,可以直接配接二次仪表或采集卡。
??
二、技术参数
基本功能 | 测量范围 | 温度:0℃~60℃ |
湿度:0~RH | ||
测量精度 | 详见订货型号 | |
稳定性 | <1% RH/年,<0.1℃/年 | |
输出信号 | 4~20mA | |
显示 | LCD 4位显示,尺寸:45.5×17.5mm | |
技术指标 | 供电电源 | 12~24VDC |
工作环境 | 温度:-20℃~70℃ | |
湿度:≤94%RH | ||
功耗 | ≤2.5W | |
输出负载 | R≤500Ω | |
安装方式 | 螺纹安装 |
三、工作原理
本产品为温湿度变送器,内置先进的瑞士原装数字温湿度传感器,通过变送器内部的中央处理器和数模转换器,将数字信号转换成4~20mA电流信号输出。方便客户在各种工业现场使用。引线两端通过防水接头连接,确保本产品具有防尘防水功能。
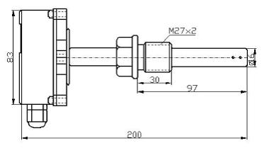
四、安装尺寸

五、接线端子定义:

六、注意事项
1、供电电压为12-24VDC
2、不要用力拉扯探头引线。
3、如在90%RH以上湿度条件下测量,注意环境通风,防止探头部分结露,影响测量。
4、未经厂家许可,严禁打开变送器外壳。以防损坏变送器电路。
七、订货型号
选项 货品型号 精度 线长
□ YB4201GL-10 5.0%RH,0.5℃@25℃ 1.1m □ 自选 □ m
□ YB4201GL-11 3.0%RH,0.4℃@25℃ 1.1m □ 自选 □ m
□ YB4201GL-15 2.0%RH,0.3℃@25℃ 1.1m □ 自选 □ m




